|
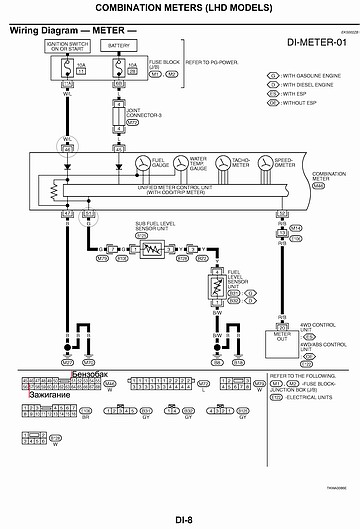
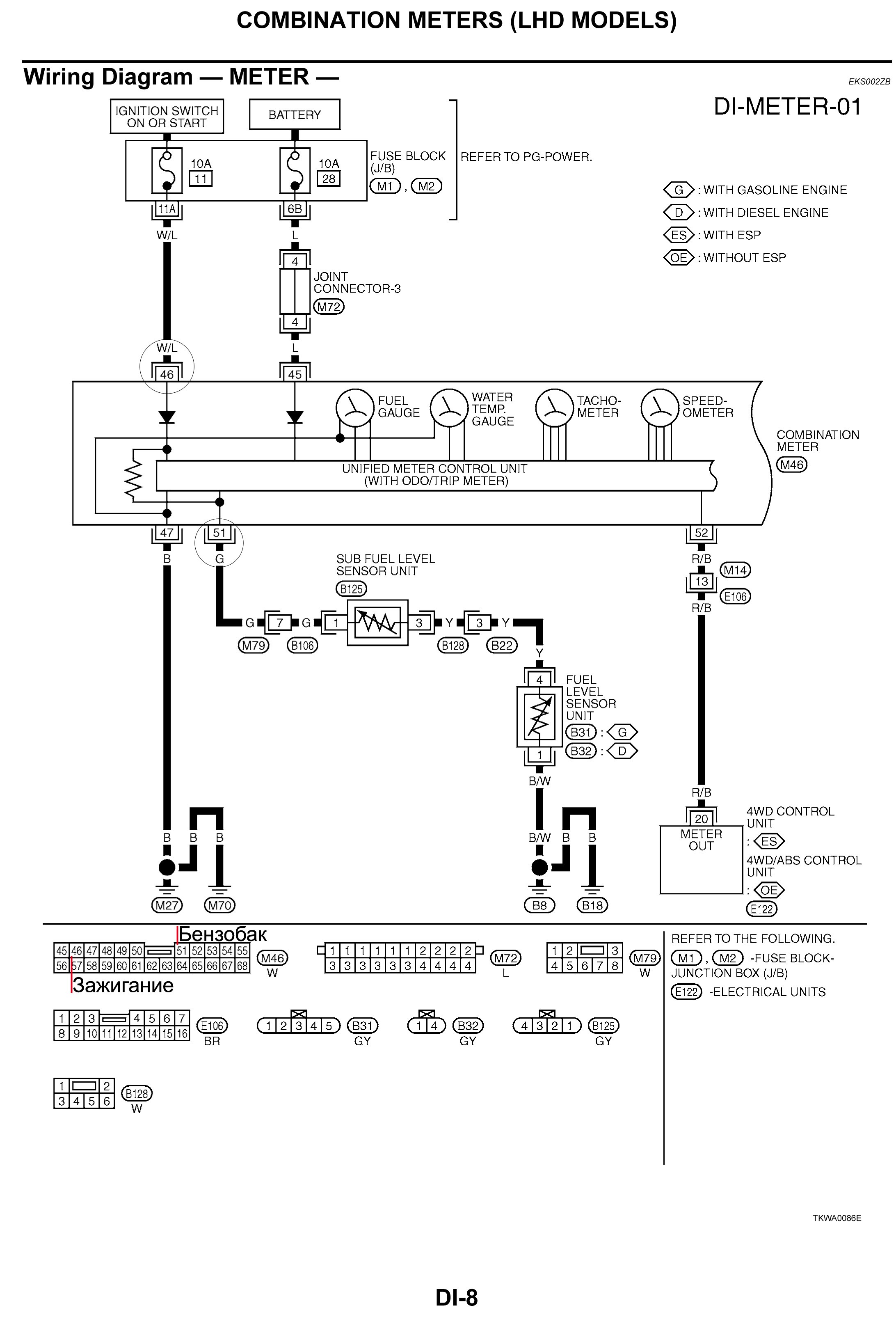
Приборная панель и подключение бортового компьютера
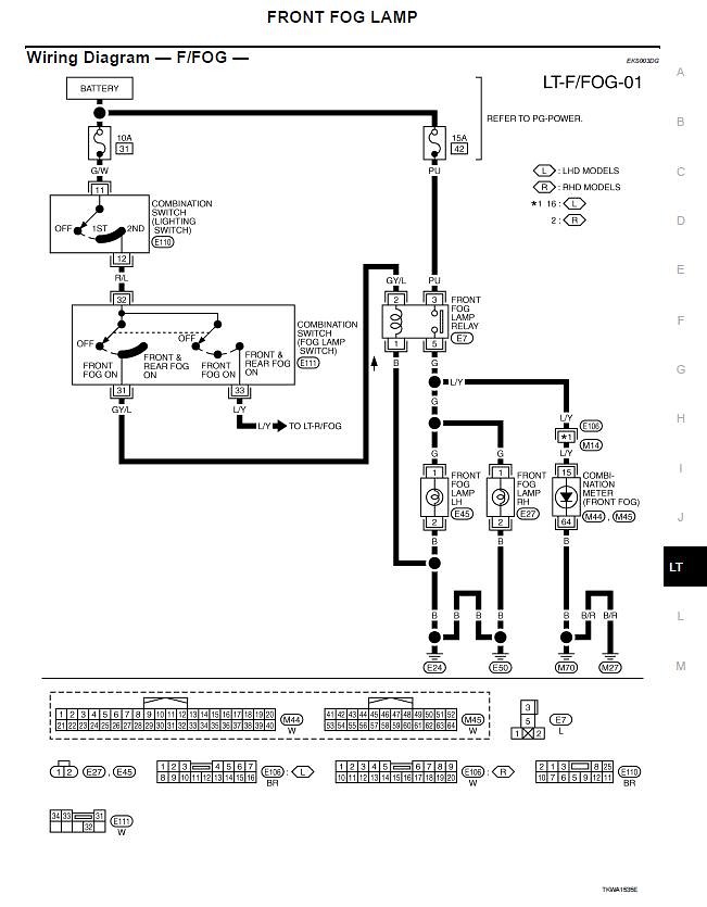
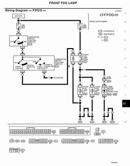
Цепи противотуманных фар
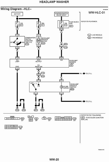
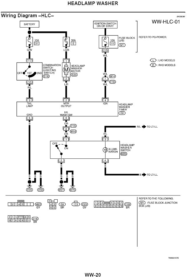
Омыватель фар
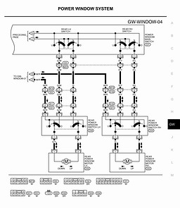
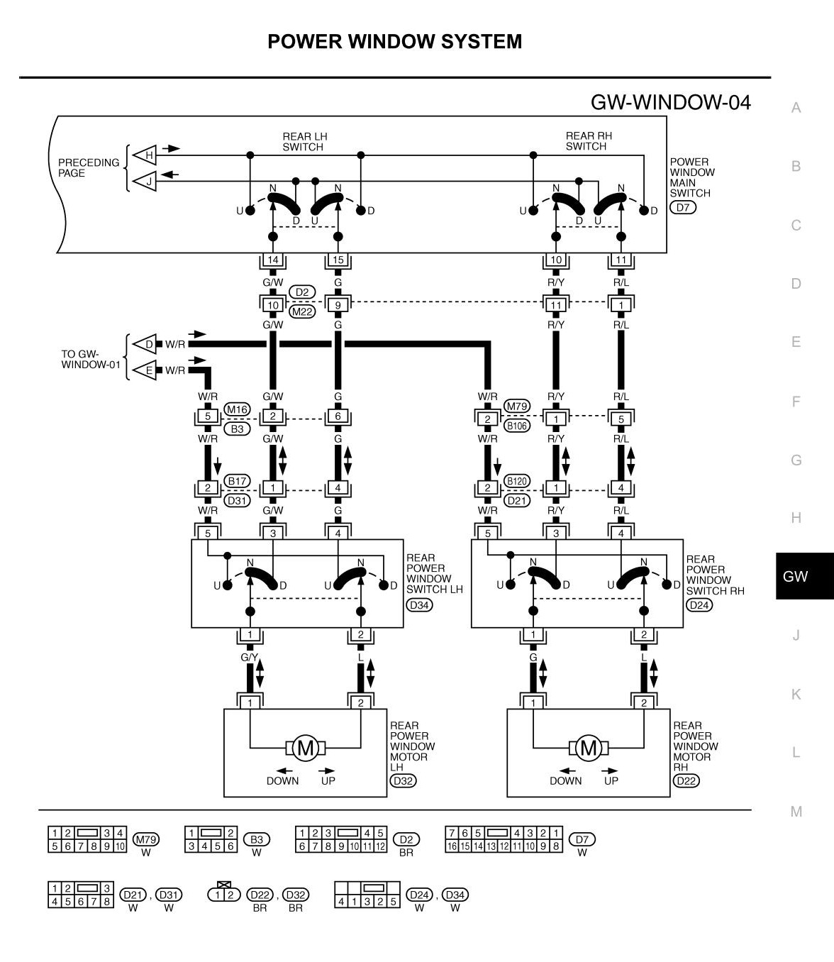
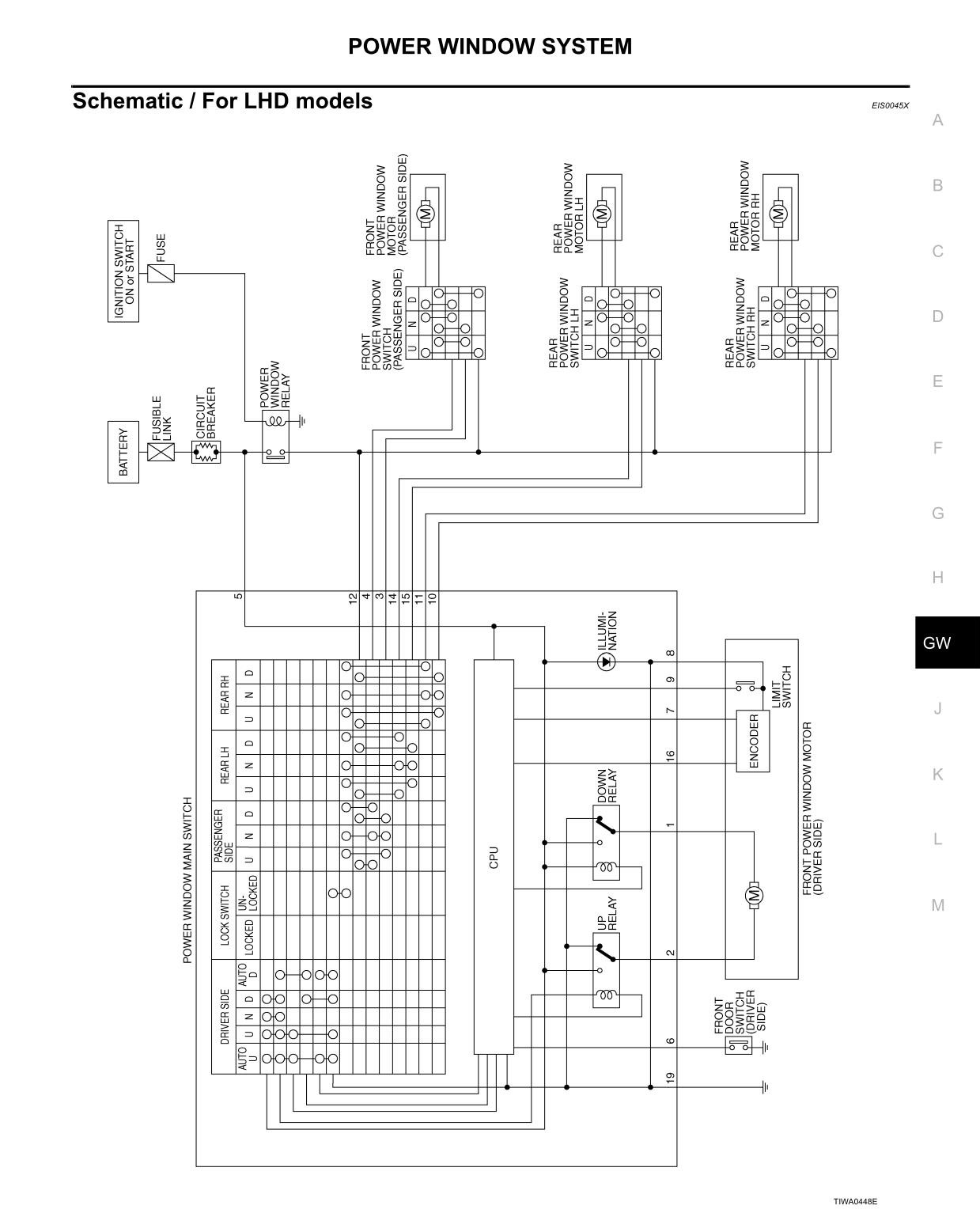
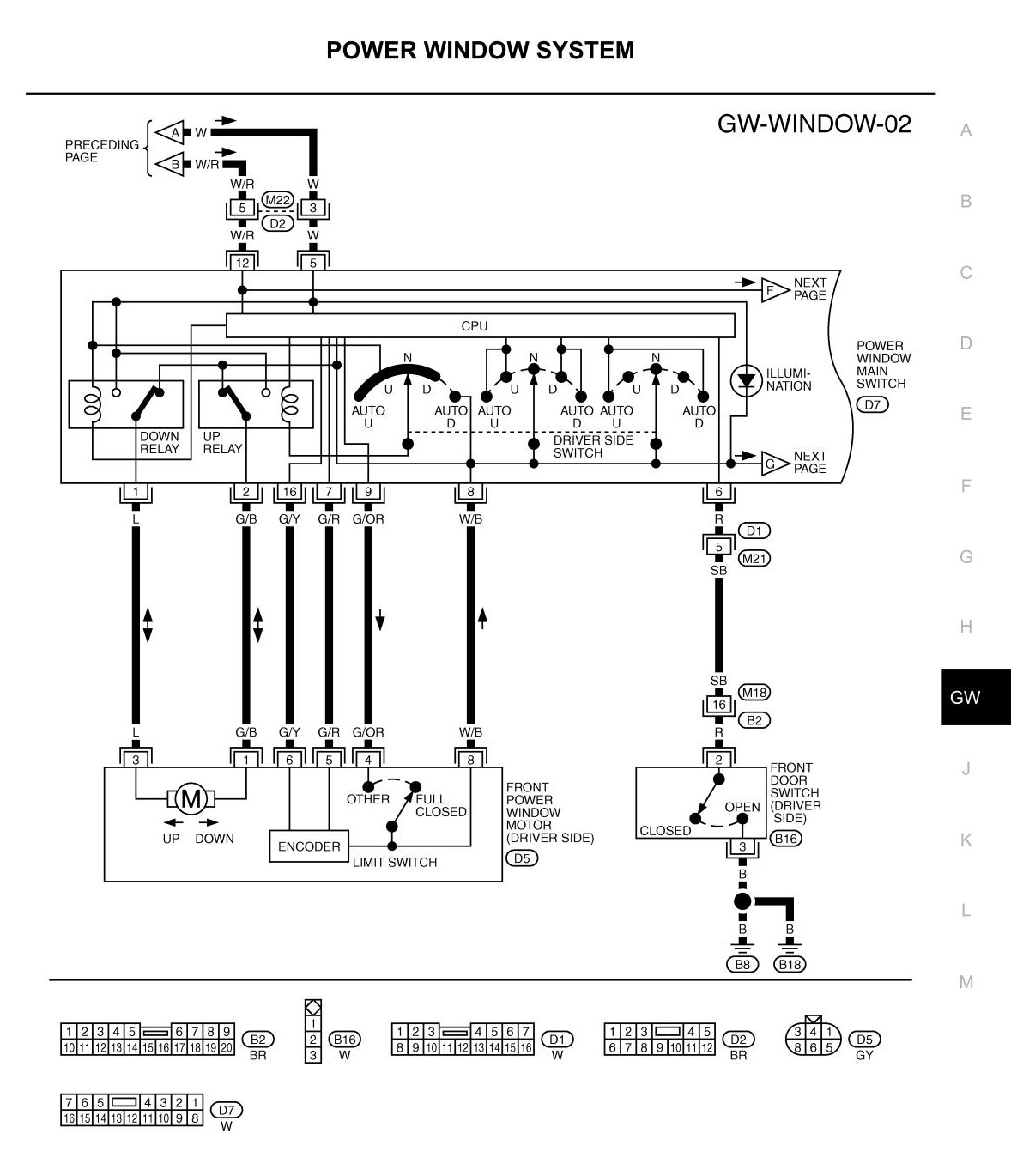
Стеклоподъемники
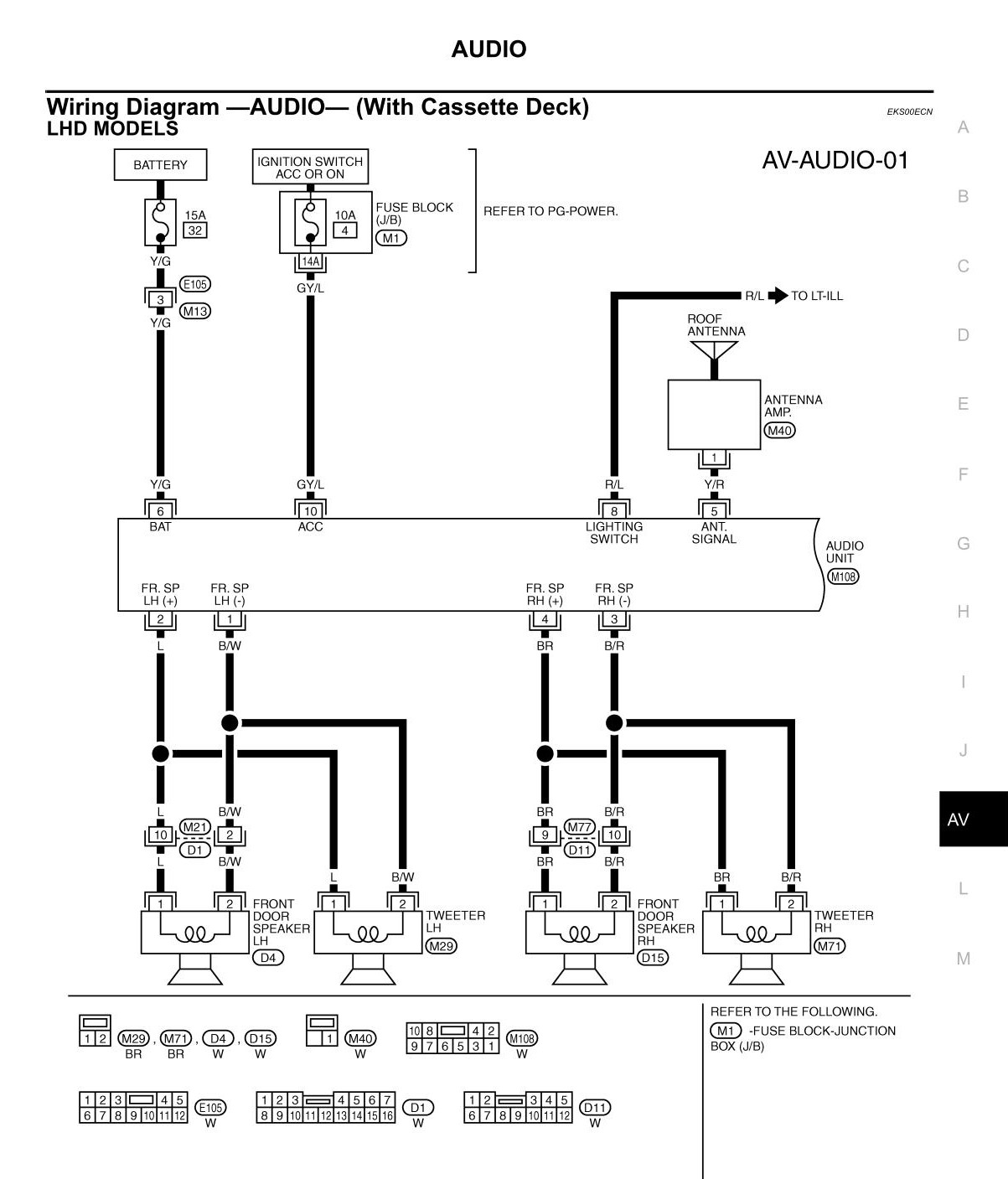
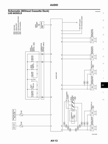
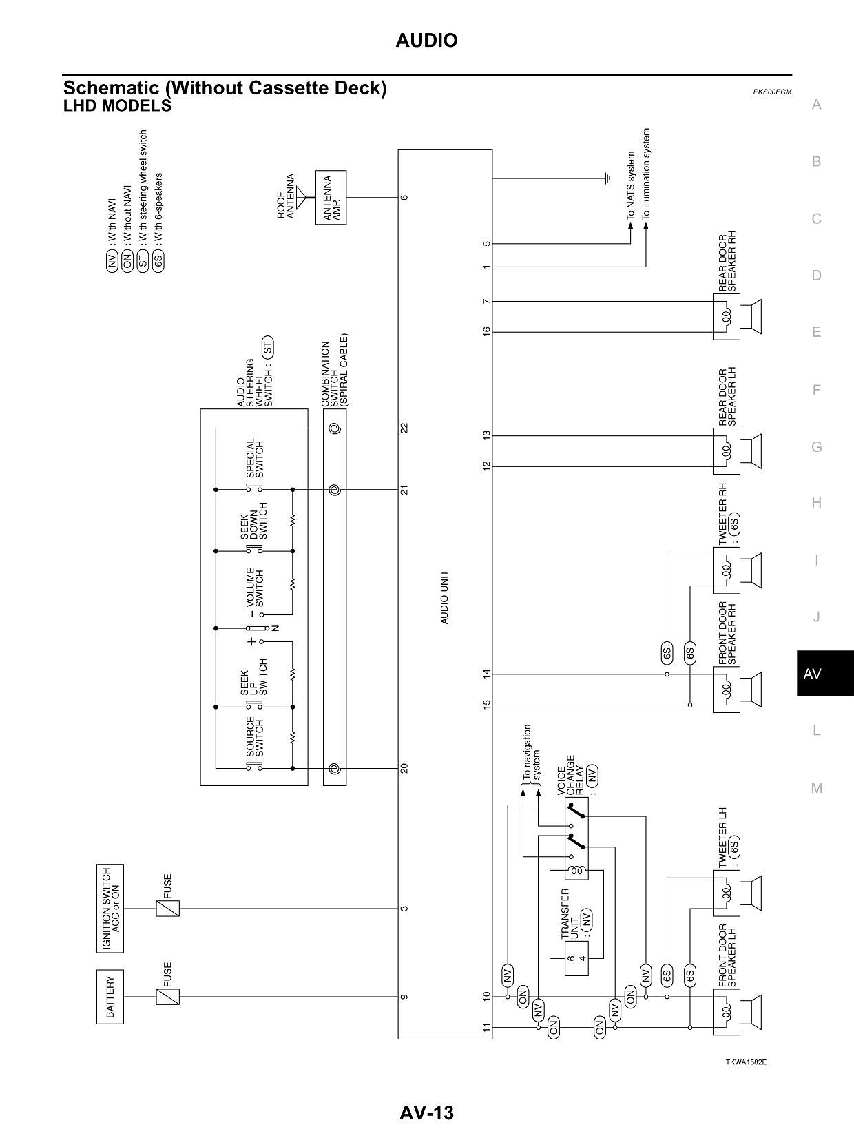
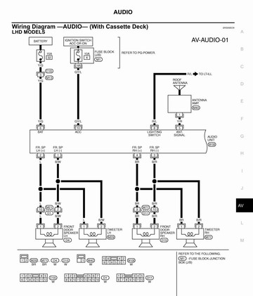
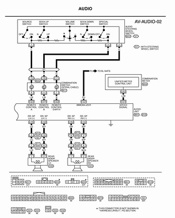
Аудиосхемы
Приборная панель и подключение бортового
компьютера
Сдержание
Цепи противотуманных фар
Сдержание
Омыватель фар
Сдержание
Стеклоподъемники
Сдержание
Аудиосхемы
Сдержание
Сдержание |